摘要: “物聯網”(InternetofThings)指的是將各種信息傳感設備,如射頻識別(RFID)裝置、紅外感應器、全球定位系統、激光掃描器等種種裝置與互聯網結合起來而形
“物聯網”(InternetofThings)指的是將各種信息傳感設備,如射頻識別(RFID)裝置、紅外感應器、全球定位系統、激光掃描器等種種裝置與互聯網結合起來而形成的一個巨大網絡。其目的是讓所有的物品都與網絡連接在一起,方便識別和管理。物聯網把新一代IT技術充分運用在各行各業之中,具體地說,就是把感應器嵌入和裝備到電網、鐵路、橋梁、隧道、公路、建筑、供水系統、大壩、油氣管道等各種物體中,然后將“物聯網”與現有的互聯網整合起來,實現人類社會與物理系統的整合,在這個整合的網絡當中,存在能力超級強大的中心計算機群,能夠對整合網絡內的人員、機器、設備和基礎設施實施實時的管理和控制,在此基礎上,人類可以以更加精細和動態的方式管理生產和生活,達到“智慧”狀態,提高資源利用率和生產力水平,改善人與自然間的關系。
本文結合Delta 的enteliSYSTEM在拿大魁北克的綠色城市項目和北京啟夏房地產項目的運用,著重闡述物聯網技術在智能社區中的運用,以構建綠色城市。
一、項目概況
隨著全球對環境的重視,低碳的、綠色的生活越來越受到大家的認可,故此綠色城市也被大家提起。對于綠色城市,大家所關注的是如何實現城市綠化。通常實現’綠化’的手段包含以下措施:
§ 提升城市人居密度
§ 雨水管理
§ 減少“特權道路”的使用
§ 采用互動式街道照明
§ 采用城區供熱網絡及生物燃料鍋爐
§ 采用氣動廢料回收系統
§ 優化建筑能源效率
§ 電信級集成: Internet, IP 電話 及 IP TV
住宅是組成城市的一個不可或缺的重要組成部分,而談起綠色城市就離不開智能家居,智能家居的定義就是以住宅為平臺,利用綜合布線技術、網絡通信技術、安全防范技術、自動控制技術、音視頻技術家居生活有關的設施集成,構建高效的住宅設施與家庭日程事務的管理系統,提升家居安全性、便利性、舒適性、藝術性,并實現環保節能的居住環境。
而位于加拿大魁北克的綠色城市項目就是一個可持續發展的房地產項目,它利用Delta的enteliSYSTEM對840個住戶熱負荷大約10 Mw-h的能源消耗進行監測及管理。通過對空調及照明的控制來達到舒適及節能目的,與門禁監控系統集成提高家居的安全性。它是以實現區域共同發展為目標,是一個完全遵循了LEED的認證條例而實施的綠色智能家居的典范。

本項目的鍋爐房位于其中一棟公寓樓內。供熱網絡是由4 套鍋爐 (木屑顆粒燃料)共5 MW 供熱能力的生物燃料鍋爐,兩套 5,500加侖熔料熱水儲備罐,以及一套5.2MW供熱能力的生物柴油緊急鍋爐組成。循環熱水網絡是由8” to 1”的大約2英里長熱水管路、2套20馬力功率的變頻水泵組成的大溫差網絡,供水溫度 = 90°C ,回水溫度 = 50°C。供回水溫差為40°C。該項目共有44 個15 to 1,400 kW供熱能力的區域供熱子站。大約每年消耗1600噸 燃料( 相當于95輛 卡車的裝載量)和產生9 噸燃料廢料。為了節約能源及降低環境污染,方便物業及業主的管理及監測,我們采取了如下措施:
¡ 鍋爐控制
¡ 燃料運輸及倉儲控制
¡ 煙囪監測及排風量調節
¡ 分區熱網壓力控制
¡ 分區熱網監控站
¡ 能源管理及賬單制作
¡ 測量系統與控制系統的集成
¡ “儀表盤式界面”
¡ 能源消耗數據存儲
二、能源監測及控制
下面就Delta的enteliSYSTEM如何進行能源監測及控制做簡單介紹
1. 測量系統與控制系統的集成
在加拿大魁北克的綠色城市項目里Delta的enteliSYSTEM通過把公寓里每個住戶的HVAC 控制系統、智能照明系統、門禁系統(攝像頭)以及能源管理系統進行系統集成,使綠色的智能家居成為了現實。
Delta的控制器通過對空調系統的溫度調節,對照明系統的亮度調節及照明的開關控制以及監視住戶外面的環境安全情況,通過網關、無線或Zigbee的方式將數據上傳到人機界面接口DHMI——觸摸屏,再通過以太網上傳到數據庫服務器將數據備份保存,方便用戶的調用查看及物業的管理。
下圖為測量系統與控制系統的集成架構圖

2. 能源管理及賬單制作
在我們的日常生活中,與我們的生活密切相關的能源消耗是電消耗、熱消耗、生活熱水消耗、飲用水消耗。所以,我們通過測量儀表把數據采集回來,進行匯總分析。加拿大魁北克綠色城市的電表是脈沖式電表,由 Hydro-Québec提供。每棟樓的電表成組裝配在一個盤箱內可通過M-Bus總線形式、無線形式或者Zigbee形式上傳到網關或控制器,,再通過以太網網絡上傳到數據庫里,通過互聯網,使業主在世界的任何角落都能觀察到家里的電力能源使用情況。不只是電表,其他的測量儀表也都可以通過總線的方式利用有線或無線網絡將各種能源信息上傳到操作終端,用戶可以通過觸摸屏看到各種能源的數據及其數據分析和趨勢,提醒用戶注意,也可以打印出賬單提醒用戶繳費,方便物業管理。這些信息包含能源的總量、采暖熱水總量、生活熱水總量、飲用水總量、供水溫度、回水溫度和水流量等。
下圖為數據測量的流程:

3. 儀表盤式界面
在加拿大魁北克的綠色城市項目里Delta的enteliSYSTEM為每套住宅配置一套觸摸屏終端用來以計量單位及貨幣單位形式實時顯示的能耗數據,查看能耗歷史數據,使業主對自己的能源消耗做到了解及控制;顯示溫度及房間溫度設定點,顯示室外溫度及天氣預報數據,使業主根據天氣變化及時更改房間溫度設定點,對溫度進行控制或者根據雨雪天氣設定自動關窗等功能;根據光照度對照明進行亮度及開關控制,人剛進屋時燈光逐漸變亮,使人的眼睛從黑暗逐漸適應光明,以保護眼睛,這樣就做到了既舒適又節能;查看物業公告信息,查看主入口視頻,增加居家的安全性等,方便業主的日常生活所需。
4. 能源消耗數據存儲
在日常生活中,會產生大量的對于能源消耗的數據,通過這些數據可以進行歷史數據的分析,做出歷史趨勢圖及進行報表打印等,方便業主及物業實時調整對能源的消耗度,所以對這些數據安全存儲是很有必要的。Delta Controls公司在加拿大魁北克的綠色城市項目里做了三級數據安全存儲。
第一級是數據存儲在智能儀表里。監測到的近期的數據可以暫時存儲在儀表里
第二級是DHMI網絡。即在每套公寓樓設置一個VLAN(虛擬局域網),VLAN 間進行邏輯隔離處理;(DHMI間彼此不進行直接通訊)通訊僅在服務器端與DHMI間進行。共配備了8 套交換機,可以分割成 1024 個VLAN(>>860個用戶的通訊安全需求)
第三級是冗余熱備份。通過創建虛擬環境,實現2 套用于進行能源消耗數據存儲和Web服務的服務器完全冗余。因為這些主機不需要硬件驅動,所以大大降低了硬盤損壞的風險。而NAS 型存儲單元,包含 4 硬盤驅動器,提供 1,5 Tbyte的數據存儲能力。同時它還設置了一臺Vcenter服務器,通過這臺服務器對虛擬服務器的運行狀態進行監測,如果出現故障,在5分鐘之內它能重啟這臺虛擬服務器,保證系統運行的需要。

三、enteliTOUCH智能平臺智能家居系統
enteliTOUCH智能平臺智能家居系統具有以下功能:
1)、基于zigbee通訊的無線MESH網絡:可配置無線控制器或傳感器;MESH網絡可自動適應空間家具位置或結構的變化,自動診斷,自動路由(靈活);安裝位置可輕松選定和調整(方便)。
2)、完全可編程的enteliTOUCH人機界面主機:可根據現場的控制需要和場景需求,編制所需要的程序(靈活);場景可根據實際需要任意編制(靈活);可控制任意復雜的中小型系統(擴展)。
3)、完全自定義的人機界面:可針對不同業主的需求及習慣進行個性化界面繪制(靈活);可針對不同戶型的硬件設備的差異,調整顯示內容(可伸縮);可充當電子相框,顯示業主信息,供物業管理人員參考(安全)。
4)、支持多國語言:語言可設置:無論中文(繁體/簡體)、英文、韓文等23種國家語言的顯示,支持不同業主的語言環境顯示(靈活);即使不同國籍業主變更,也無需更換設備,直接切換顯示語言即可(方便);
5)、Native BACnet通訊協議:唯一的樓宇自控ISO國際標準:ISO16484-5(開放)可無縫接入幾乎任意的BMS及樓宇機電子系統(擴展);BACnet平臺下各種機電設備幾乎無成本的集成方案(擴展)。如下圖基于BACnet的BMS系統集成框架圖:

6)、嵌入式Web服務器:enteliTOUCH觸摸屏是一個可Web訪問的服務器(簡單),可通過移動PDA遙控器、手機、電腦瀏覽及控制;不會因為一個設備的損壞導致所有用戶無法遠程訪問(安全);簡單化設計,無需IT背景,即可實現服務器的設置。
7)、全球GPS定位:項目信息可以全球聯網,通過Google 地圖定位項目位置。

enteliTOUCH智能平臺智能家居系統系統主要運用于酒店式公寓、別墅、精裝住宅。室內部分智能家居工程主要涉及的內容有:智能照明系統、自動窗簾控制系統、安防、別墅及小區的可視對講系統等。本次工程后達到的功能包括:采用先進的智能系統,通過智能遙控器、移動PDA遙控器、手機、電腦、多功能開關等遠程或現場控制方式對住宅內的燈光、窗簾、家電(空調、電視、洗衣機、冰箱、飲水機、音響等)、安防、可視對講等進行監測和控制。
在智能化社區中,每戶住戶都有運營商提供的以太網口預留,每戶住戶通過enteliTOUCH管理現場控制器以達到控制各種設備的目的。
全局部分主要實現功能如下:
遠程訪問:用戶可通過任意連入Internet的PC機或手機,對自家的系統進行直接訪問及設置控制指令;訪問權限可由業主本人通過enteliTOUCH自行設置。
信息發布:通用信息發布(如天氣預報、物業通告、銀行信息等),此類無需業主確認;緊急事件發布(如鼠藥投撒、周邊餐廳食物中毒、區內流行病、區內惡性刑事案件等),此類事件的發布需業主提交接收確認,物業需可查詢確認情況。
戶內部分主要實現功能如下:
環境控制:通過enteliiTOUCH觸摸屏設置制冷/制熱工況;通過enteliiTOUCH觸摸屏/室內溫度傳感器設置制冷/制熱溫度設定點;enteliiTOUCH根據相應的室內溫度傳感器自動控制空調盤管或地板采暖的閥門開度或啟?刂;
燈光控制:通過enteliiTOUCH觸摸屏可對各照明回路進行開關或調光控制;通過enteliiTOUCH觸摸屏、多功能開關或遙控器對客廳、臥室、書房等場所進行多場景模式燈光控制;通過現場BACnet開關或遙控器可對就地照明回路進行開關或調光控制;衛生間設置移動傳感器,當夜間進入時自動開燈;當檢測無人時,自動延時關閉;
窗簾控制:通過enteliiTOUCH觸摸屏各電動窗簾進行控制;通過現場BACnet開關或遙控器對窗簾進行就地控制;多場景模式聯動控制。
場景控制:根據業主需要通過enteliTOUCH設置場景;例如:休息,休閑,外出等模式;并根據各場景的實際情況,自動控制燈光及其照度、窗簾的開閉、室內溫度設定點的二次調等;
家居安全:部分場合設置緊急按鈕;當按鈕按下時,將報警信息傳送至物業及若干個指定手機;監測廚房可燃氣體,當燃氣泄漏時,主動切斷燃氣閥,并發報警至物業及若干個指定手機;監測自來水漏水狀態,當發生漏水情況時,主動切斷進水閥,并發報警至物業及若干個指定手機。
安全防范:設置門磁、窗磁和紅外幕簾傳感器;當布防時,任何防范傳感器被觸發時,產生報警,并將警報發送至物業及業主手機上;一鍵式布防(外出、睡眠),一鍵式撤防。
能源管理子系統:自來/生活熱水用量、耗電量以及制冷制熱量信號采集;用戶可實時監測所有的能耗數據;用戶可查詢所有時間段的能耗數據,并進行能耗數據對比,生成報告;用戶可設置用量限值,并進行報警通知。
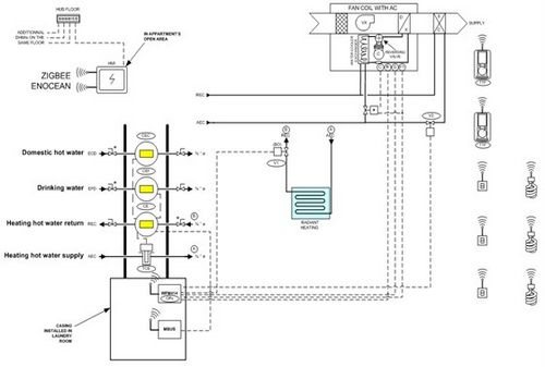
下圖為一戶型圖的設計案例的控制點位:

以上就是Delta的enteliSYSTEM在加拿大魁北克及北京啟夏房地產綠色城市中如何進行能源監測及控制的案例介紹。隨著物聯網的興起和IPv6重新定義地址空間,每一件物品,都將有一個自己的IP地址,這樣家居中的任何物品都將可以與互聯網相連接,進行信息交換和通信,實現智能化識別、定位、跟蹤、監控和管理。那樣我們的生活會更方便,快捷。